牛!上海三菱电梯2022年申请了82个发明专利!大赢家竟然是他……

栏目:生活资讯  时间:2023-02-11
手机版

  专利对于一个企业的重要性不言而喻,今天我们盘点下上海三菱电梯在2022年申请了哪些电梯相关专利。通过专利技术,我们也能展望未来电梯技术的发展方向。

  PS:申请的82个专利中,有29个是陈玉东参与的。2021年申请的39个专利中,陈玉东参与了16个。这个人绝对的是专利牛人,专利大赢家!

  1、乘客输送装置的支撑装置

  本发明公开了一种乘客输送装置的支撑装置,包括:底座、第一滑动片、横向滑动件、第二滑动片、转动件、第三滑动片和纵向滑动件。与现有技术相比,本发明提供的乘客输送装置的支撑装置在建筑物晃动时,可弥补建筑物晃动导致的乘客输送装置形变,避免乘客输送装置的损坏。

  

  2、电梯制动控制方法

  本发明公开了一种电梯制动控制方法,当电梯满足预设制动条件后执行如下步骤:步骤S1,根据电梯的不平衡负载,确定控制电梯的移动方向;步骤S2,控制电梯轿厢移动至制动启动位置,当电梯轿厢移动至制动启动位置时的速度不超过速度阈值;步骤S3,对电梯轿厢进行制动。与现有技术相比,本发明的技术方案能避免封星制动导致的缺陷,避免轿厢受到制动冲击和对电机绕组过热的损害。

  

  3、一种电梯轿厢自重校正方法

  本发明公开了一种电梯轿厢自重校正方法,属于电梯驱动控制技术领域。其中,电梯轿厢自重校正方法采用自抗扰控制器实施对电梯驱动电机的速度控制,并且采用如下步骤实施对电梯轿厢自重的校正:步骤S1、分析并构建电梯轿厢的总扰动与电梯轿厢的自身重量之间的关系模型;步骤S2、根据自抗扰控制器的扩张状态观测器观测得到总扰动的估计值;步骤S3、根据关系模型,利用总扰动的估计值计算得到电梯轿厢的轿厢实际质量和轿厢设计质量之间的质量偏差;步骤S4、根据质量偏差对轿厢设计质量进行校正以得到轿厢实际质量。本发明的有益效果在于:利用估计结果对轿厢自重进行校正,能够改善电梯的启动性能和驱动控制器的控制性能。

  

  4、电梯轿厢位置检测系统

  本发明公开了一种电梯轿厢位置检测系统,包括处理单元、m个检测体和n个被检测体;检测体与被检测体在竖直方向上的分布使得电梯轿厢在任一位置时至少存在一个检测体与一个被检测体处于正对位置;每个被检测体的任意检测点在竖直方向上都具有唯一的标识,检测体对与其处于正对位置的被检测体上的检测点对应的标识进行检测并输出对应于该被检测体的唯一且不重复的标识至所述单元。本发明通过选择合适的检测体和被检测体以及合理的安装位置,不需在电梯井道内全程铺设被检测体即可实现对电梯轿厢在电梯井道内任意位置的位置检测,同时还可以实现对被检测体和检测体的安装误差以及在后续使用过程中的位置变化、对检测体的故障诊断。

  

  5、一种电梯驱动控制系统

  本发明公开了一种电梯轿厢驱动控制系统,属于电梯技术领域。驱动控制系统包括:用于检测电梯设备的驱动电机的转速的驱动电机转速检测器、用于检测驱动电机的电流的驱动电机电流检测器、用于根据驱动电机的电流指令值与电流检测值的差值生成驱动电机的期望转矩的驱动电机电流控制器以及用于根据驱动电机的速度指令值与速度检测值的差值生成驱动电机的电流指令值的驱动电机速度控制器,还包括驱动电机速度指令生成单元:根据外部输入的轿厢速度指令、驱动电机的旋转检测值和电梯轿厢的速度检测值生成驱动电机的速度指令值。上述技术方案的有益效果为:将柔性连接体的形变量包括到驱动控制循环中,提高驱动控制性能。

  

  6、电梯群管理系统参数优化方法

  本发明公开了一种电梯群管理系统参数优化方法,获取电梯群管理系统执行至少一次电梯调配时所需的基础数据、调配结果以及所述电梯群管理系统的系统参数;利用所述基础数据执行最优调配,输出最优调配结果;判断所述最优调配结果与所述调配结果是否相同;判断是否可以通过调整所述系统参数使得所述电梯群管理系统的所述调配结果与所述最优调配结果相同;以所述系统参数为变量对评价指标模型进行最小化,输出评价指标模型的最小值对应的所述系统参数并将其作为最优系统参数;将所述电梯群管理系统的所述系统参数替换为所述最优系统参数。本发明能够通过自动优化群管理系统参数来提高电梯群管理系统性能、改善和提高电梯运行效率、节约电能。

  

  7、电梯群管理系统

  本发明公开了一种电梯群管理系统,包括:用于接收乘客登记的乘梯请求信号的接收单元,用于确定电梯侯梯厅的拥挤状况的确定单元,用于存储包括传统群管理算法和为每个即将到达电梯分配呼梯信号的新群管理算法的存储单元,用于根据所述拥挤状况判断当前群管理算法是否需要切换的判断单元,当所述判断单元判定当前群管理算法需要切换时切换所述当前群管理算法的切换单元以及利用切换后的群管理算法实施对电梯的群管理的实施单元。本发明的电梯群管理算法通过给出适当的切换条件和切换算法,能够充分发挥传统群管理算法和新群管理算法的优势,实现最佳的群管理效果。

  

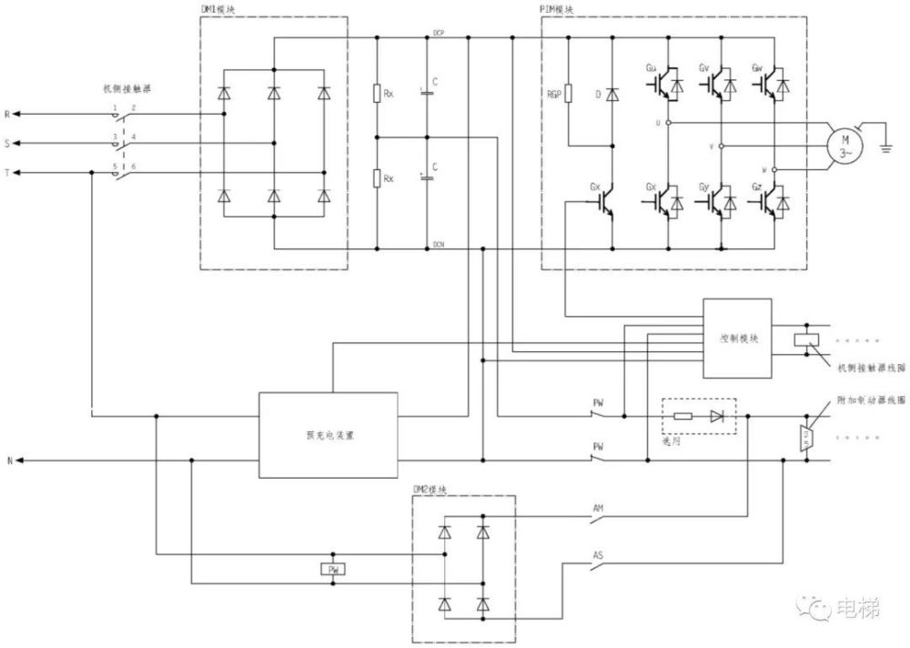
  8、乘客输送设备的附加制动器控制装置及乘客输送设备

  本发明公开了一种乘客输送设备的附加制动器控制装置,包括继电器和控制回路;所述继电器具有两个常闭触点,所述继电器的线圈并联在乘客输送设备的附加制动器控制部分的进线电源处;所述控制回路的输入端接直流母线的正端和负端,输出端接附加制动器线圈,所述两个常闭触点分别串接在附加制动器线圈两端;当所述进线电源得电时,所述继电器的线圈得电,所述常闭触点断开,当所述进线电源断电时,所述继电器的线圈失电,所述常闭触点接通。本发明结构简单,性能可靠,并可以利用乘客输送设备驱动系统中电容的能量来工作。

  

  9、轿厢制动系统及电梯

  本发明公开了一种轿厢制动系统,包括:双向电子式制动器,安装在轿厢上,所述双向电子式制动器具有制动元件,通过所述制动元件夹持导轨对轿厢进行制动;信息系统,实时获取轿厢的位置、速度和加速度信息,根据所述位置、速度和加速度信息控制所述双向电子式制动器的动作。本发明与现有技术相比,取消了传统的限速器?张紧轮系统和缓冲器,大大集成了系统且安全地直接作用在轿厢上,提高了电梯运行的安全性。由于取消了缓冲器,大大节约了底坑空间,降低了建筑物对于电梯的土建要求。

  

  10、可手动触发的限速器装置

  本发明公开了一种可手动触发的限速器装置,包括:限速器罩壳、限速器轮、棘爪、棘轮、压板、甩块组件和压绳组件,所述限速器装置还包括手动触发组件,所述手动触发组件包括触发打板、复位件、滑动件和导向件;所述触发打板连接至压板上,所述导向件固定在限速器罩壳上;所述滑动件可滑动地设置在导向件的通孔中,所述滑动件一端可通过限速器罩壳上的通孔在外力作用下伸入限速器罩壳内侧,当所述滑动件一端伸入限速器罩壳内侧时处于触发打板随限速器轮旋转的路径上;所述复位件设置在导向件和滑动件之间,当所述滑动件没有外力作用时,使滑动件保持在限速器罩壳外侧。

  

  11、针对乘梯捣乱行为的电梯识别方法

  本发明公开了一种电梯针对乘梯捣乱行为的电梯识别方法,包括:步骤S1、接收来自于目的楼层登记装置的目的楼层登记信息;步骤S2、确定所述目的楼层登记信息在目的楼层登记装置操作界面上的位置;步骤S3、根据各个目的楼层登记信息对应的登记时刻及其在目的楼层登记装置操作界面上的位置分析所述目的楼层登记信息按照时间顺序在目的楼层登记装置操作界面这一二维平面上的扩张轨迹;步骤S4、判断所述扩张轨迹是否具有规律性,若有则认定为捣乱登记操作,否则认定为正常登记操作。本发明的识别方法能够及时、准确地识别乘梯捣乱行为。

  

  12、电梯运营费用计算方法和告知系统

  本发明公开了一种电梯针对乘梯捣乱行为的电梯识别方法,包括:步骤S1、接收来自于目的楼层登记装置的目的楼层登记信息;步骤S2、确定所述目的楼层登记信息在目的楼层登记装置操作界面上的位置;步骤S3、根据各个目的楼层登记信息对应的登记时刻及其在目的楼层登记装置操作界面上的位置分析所述目的楼层登记信息按照时间顺序在目的楼层登记装置操作界面这一二维平面上的扩张轨迹;步骤S4、判断所述扩张轨迹是否具有规律性,若有则认定为捣乱登记操作,否则认定为正常登记操作。本发明的识别方法能够及时、准确地识别乘梯捣乱行为。

  

  13、电梯防火层门装置

  本发明公开了一种电梯防火层门装置,包括:至少一块门板、地坎、门框和防火封闭装置;防火封闭装置包括封闭部件和触发部件,用于当所述门板闭合后覆盖至少部分缝隙;封闭部件安装在一块门板的开门侧,封闭部件具有操作板和复位件,所述操作板具有第一位置和第二位置;当所述触发部件作用于封闭部件时,使操作板位于第一位置;当所述触发部件未作用于封闭部件时,所述复位件使操作板位于第二位置;所述触发部件固定在另一块门板或地坎上;所述第一位置为,操作板部分突出于所述门板开门侧的端面,当所述门板闭合后覆盖至少部分缝隙;所述第二位置为,操作板不突出于所述门板开门侧的端面。本发明的操作板可以在两个位置间活动,起到防火的目的。

  

  14、电梯投诉管理方法及系统

  本发明公开了一种电梯投诉管理方法,包括如下步骤:步骤S1、确定服务项目,所述服务项目为用户能直接感受到的电梯系统提供的服务;步骤S2、根据电梯的实际情况确定用户对电梯服务项目的服务质量的评价结果;步骤S3、根据所述评价结果判断该服务项目是否为高投诉风险服务项目,若是则进入下一步骤,否则结束;步骤S4、确定提升用户感受到的所述服务项目的服务体验的改进措施;步骤S5、实施所述改进措施,返回步骤S2。本发明通过确定用户能直接感受到的电梯系统提供服务的服务项目,并根据服务项目的评价指标与阈值间的关系确定投诉风险,能够在投诉发生前及时处理,避免投诉发生。

  

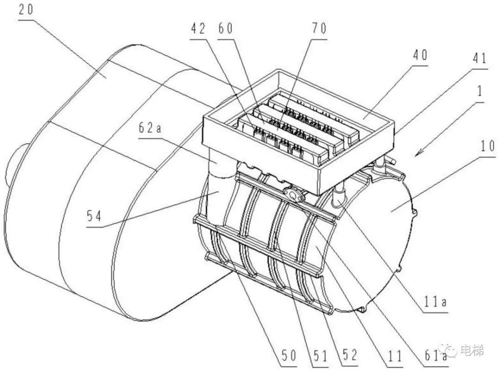
  15、电梯悬挂绳安装辅助装置

  本发明公开了一种电梯悬挂绳安装辅助装置,包括:至少一条非金属柔性带,所述非金属柔性带的第一端设置有沿长度方向延伸的齿形结构,所述非金属柔性带的第二端设置有限位结构;在电梯悬挂绳索安装时,将所述电梯悬挂绳安装辅助装置安装在电梯曳引轮上,所述非金属柔性带与电梯曳引轮绳槽的侧面或底面接触,使悬挂绳索仅与所述非金属柔性带接触。本发明可以有效对曳引轮绳槽与悬挂绳进行保护。放绳结束后,本发明的辅助装置可以非常容易地拆下,进行重复使用。

  

  16、曳引轮轮槽防磨损装置

  本发明公开了一种曳引轮轮槽防磨损装置,包括:至少一条柔性非金属带,所述柔性非金属带的横截面为T形,包括竖直部分和横向部分;在电梯钢丝绳安装时,将所述曳引轮轮槽防磨损装置安装在电梯曳引轮上,所述柔性非金属带的横向部分与曳引轮轮槽的侧面接触,竖直部分嵌入曳引轮轮槽底部的切口内,使钢丝绳仅与所述柔性非金属带接触。与现有技术相比本发明的曳引轮轮槽防磨损装置结构简单,制造成本低,安装方便;能适应不同直径的曳引轮,可以有效对曳引轮轮槽与钢丝绳进行保护。

  

  17、悬挂绳索轮槽防磨损装置及悬挂绳索的安装方法

  本发明公开了一种悬挂绳索轮槽防磨损装置,包括:至少一条柔性非金属带,沿所述非金属带的长度方向布置的至少两列吸盘组件,用于固定所述非金属带两端的固定件;在悬挂绳索安装时,吸盘组件吸附在所述悬挂绳索轮槽的侧面或底面,将非金属带固定在所述悬挂绳索轮槽内,使悬挂绳索仅与所述非金属带接触。与现有技术相比本发明可以简便地将悬挂绳索轮槽防磨损装置安装于悬挂绳索轮槽上,在电梯安装放绳过程中,避免悬挂绳索与轮槽发生直接接触,引起滑动磨损。

  

  18、乘客站立危险区域检测装置及乘客输送装置

  本发明公开了一种乘客站立危险区域检测装置,包括:信号检测装置,用于检测乘客输送装置运行时乘客在围裙板侧的站立位置,形成波形;数据采集部,用于按预设采样周期对信号检测装置的波形进行采样,并发送给数据计算部;数据计算部,预设第一基准或第二基准,用于对波形进行过滤、计算和判断;当乘客的站立位置满足第一基准,数据计算部将乘客输送装置置于警告模式,向所述警告部输出警告信号;当乘客的站立位置满足第二基准,数据计算部将乘客输送装置置于故障模式,向乘客输送装置的控制部输出制停信号;警告部,用于对乘客进行报警。

  

  19、电梯控制方法

  本发明公开了一种电梯控制方法,包括:步骤S1、确定一长度为T的时间窗及其起点时刻;步骤S2、将乘梯时刻位于该时间窗内的乘梯请求信号作为选定乘梯请求信号;步骤S3、根据所述乘梯时刻判断所述选定乘梯请求信号是否满足特殊条件;当判断结果为是时,转入步骤S4,否则结束;步骤S4、根据所述选定乘梯请求信号的出发楼层与乘梯方向目的楼层调整所述选定乘梯请求信号的乘梯时刻,使得电梯完成所述选定乘梯请求信号的乘客运送达成预定的优化目标;步骤S5、按照调整后的乘梯时刻控制电梯为乘客提供运送服务。本发明的电梯控制方法通过调整乘梯请求信号的乘梯时刻来最短化电梯移动距离,因此能够实现电梯节能。

  

  20、电梯电气制动装置有效性检测方法

  本发明公开了一种电梯电气制动装置有效性检测方法,包括:步骤S1,判断当电梯处于空载和待机状态时,控制电梯运行至预设楼层;步骤S2,控制电气制动装置进入制动模式,打开电梯驱动主机的制动器;步骤S3,检测电梯轿厢移动的速度或电梯驱动主机的电机电流;步骤S4,根据检测得到的所述速度或电流来判断是否输出预设故障信号。与现有技术相比,本发明提供了一种能检测电梯电气制动装置是否有效的技术手段。在优选的发明内容部分,通过设定打开电梯驱动主机的制动器的时长,在检测电气制动装置是否有效的过程中不触发额外的故障。

  

  21、电梯系统

  本发明公开了一种电梯系统,包括轿厢、导轨支架和轿厢侧导轨,所述电梯系统还包括轿厢侧缓冲器组件,所述轿厢侧缓冲器组件包括至少一个缓冲器、缓冲器安装架和连接座;所述轿厢侧导轨通过导轨支架固定在井道壁上;当所述轿厢接触到缓冲器后,缓冲器受到的压力部分或全部传递到井道壁上。

  

  22、钢丝绳清扫装置

  本发明公开了一种钢丝绳清扫装置,包括至少一个刷头组件,所述刷头组件围绕其自身的中心轴自由旋转,所述刷头组件包括至少两个外部刷盘,相邻的外部刷盘按照设定的相位角度布置,外部刷盘的外圈设置有周向均布的凸起清洁单元,所述凸起清洁单元在所述外部刷盘外周形成的轮廓呈螺旋均布的周期性凸起形状,所述凸起清洁单元的螺距和旋转方向根据被清扫钢丝绳的捻距和捻向进行调整。本发明的钢丝绳清扫装置可适应不同捻向和捻距的钢丝绳绳股表面及绳股间隙的清扫,根据绳股间隙和绳股表面污垢的位置特点可以采用不同的清洁单元进行清洁,清洁效果更好,且安装方便,清扫时也与钢丝绳无刚性碰擦。

  

  23、电梯呼梯系统

  本发明公开了一种电梯呼梯系统,包括电梯侧部分和供预约乘梯乘客登记呼梯信号的移动终端,其中移动终端包括存储电梯所在的建筑物的结构布局的存储单元、生成并输出移动终端位置的定位单元、接收呼梯信号的终端接收单元、规划由登记位置至电梯候梯厅间的乘梯路径的规划单元、判断乘梯条件是否成立的判断单元,电梯侧部分包括接收来自移动终端的呼梯信号的接收单元和根据所述呼梯信号生成电梯呼梯指令并发送给电梯控制系统的处理单元。本发明可以克服现有技术方案可能出现的误登记的缺点,避免电梯因响应无效的乘梯请求而浪费运力,消除呼梯信号误登记的情况以提高电梯运行效率。

  

  24、电梯限速器

  本发明公开了一种电梯限速器,包括铅锤轴,用于驱动所述电梯限速器旋转;速度检测机构,用于检测电梯轿厢速度,所述速度检测机构套接在所述铅锤轴上并与所述铅锤轴同步旋转;弹簧行程调节机构,套接在所述铅锤轴上并设置在所述速度检测机构内部;所述弹簧行程调节机构通过单向轴承与所述铅锤轴相连接以使所述弹簧行程调节机构仅在电梯下行时与主轴一同旋转。本发明所述的限速器包含1套速度检测机构和1套弹簧行程调节机构,可以实现电梯上行和下行速度不同时,达到分别检测上下行时的超速行为并制停轿厢的目的。

  

  25、电梯乘客乘梯数据处理系统

  本发明公开了一种电梯乘客乘梯数据处理系统,包括:乘客乘梯数据获取单元,用于获取至少一个疑似病例乘客和至少一个其他乘客的乘梯数据;要素计算单元,用于利用所述乘梯数据计算感染要素,所述感染要素包括乘客的行程轨迹和对应的时间跨度;感染风险判断单元,当其他乘客与疑似病例乘客的所述感染要素是否存在交集时,判定其他乘客存在感染风险。与现有技术相比,本发明的技术方案能够更精准地识别当出现疑似病例乘客时,其他乘客的感染风险,缩小排查范围。

  

  26、电梯轿内智能观测镜装置

  本发明公开了一种电梯轿内智能观测镜装置,包括:观测镜,设置在电梯轿厢内;所述观测镜用于辅助操作者观察轿厢内物体靠近轿厢的过程。本发明能够通过轿内观测镜装置观察到运货工具或货物靠近正面轿壁的过程,有效的防止载货工具或货物撞击电梯正面轿壁。

  

  27、自动扶梯梯级与自动扶梯信息显示系统

  本发明公开了一种自动扶梯梯级,所述梯级包括位于竖面的第一显示部件和位于踏面的第二显示部件,所述第一显示部件或第二显示部件表面覆盖有透明的加强层,其特征在于,所述第一显示部件或第二显示部件在沿梯级的长度方向的宽度大致相同且对齐。与现有技术相比,本发明的梯级同时在梯级的竖面和踏面设置显示屏,这样被安装在扶梯上时,同一扶梯的多个梯级的显示区域的左右边界对齐,可以消除显示区域的左右边界的参差不齐,相邻梯级的显示内容的连贯性,显著提升显示效果。此外,本发明还公开了一种基于带有显示部件的梯级的自动扶梯信息显示系统。

  

  28、电梯限速装置

  本发明公开了一种电梯限速装置,包括:调速器绳索,在升降通道内通过调速器滑轮设置成环状并与所述电梯轿厢连接而进行升降;一个驱动锥齿轮,装配在所述调速器滑轮的水平轴上;一个从动锥齿轮,与所述驱动锥齿轮啮合;一个离心式调速器,通过铅垂轴而与所述从动锥齿轮连接;轿厢停止开关,在由该离心式调速器检测出的轿厢的上升速度或者下降速度超出了规定值时,轿厢停止开关停止对所述轿厢的驱动,所述离心式调速器具有1个可变调速部分上、下行运行区段控制所述电梯轿厢的上升速度和控制所述电梯轿厢的下降速度,并且使得所述电梯轿厢的下降限制速度设定成低于其上升限制速度。本发明在节省空间的同时,达到稳定、降噪的功效。

  

  29、用于防止梯级撞击梳齿的装置

  本发明公开了一种用于防止梯级撞击梳齿的装置,包括用于支撑梯级正常运行的支撑件、用于探测梯级副轮的浮动状态的检测机构、打板件和微动开关,所述支撑件设和所述检测机构设置在自动扶梯的水平段且均位于所述梯级的左右两侧,所述打板件与所述检测机构固定连接,当所述梯级副轮上下浮动异常时,所述打板件触发所述微动开关动作。本发明结构简单,安装方便,其中支撑件可以保证梯级正常平稳运行,防止梯级撞击梳齿,避免给乘客和自动扶梯造成严重损伤;检测机构、打板件及微动开关组成完整的检测系统,可全面检测梯级副轮的异常上下浮动,并且在发生上下浮动异常时动作产生信号传递至主控制器,及时制停自动扶梯,避免发生更严重的损害。

  

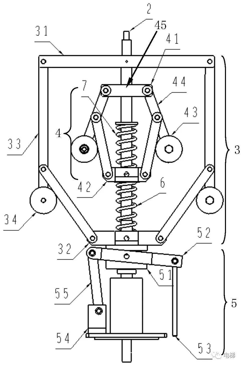
  31、电梯对重装置

  本发明公开了一种电梯对重装置,包括:对重块以及容纳对重块的框体,所述框体由对重左框架、对重右框架、对重上框架和对重下框架构成,还包括顶升装置、支撑装置及对重块替换部,其中:所述顶升装置设置于用于对重下框架上;所述支撑装置设置于对重左框架和对重右框架上;所述对重块替换部设置于对重左框架和对重右框架上。该对重装置采用了特殊的结构,通过特定的安装方式来快速的、高效的、低成本的解决电梯悬挂系统不拆除情况下的对重重量增加难题。

  

  32、识别视觉障碍乘客的方法与电梯目的层登记方法

  本发明公开了识别视觉障碍乘客的方法,包括如下步骤:步骤S1、接收触摸式登记装置响应电梯乘客的触摸操作所产生的操作信息步骤S2、根据所述操作时刻选择所述操作位置并将其作为特定操作位置;步骤S3、判断对应于所述特定操作位置的特定操作信息是否由触摸式登记装置响应视觉障碍乘客的触摸操作而产生;步骤S4、当判断结果为是时,识别结果为电梯乘客是视觉障碍乘客,否则识别结果为电梯乘客不是视觉障碍乘客。本发明的识别视觉障碍乘客的方法能够通过辨别乘客的触摸操作识别出视觉障碍乘客,不增加硬件成本,并且提供电梯目的层登记方法能够为视觉障碍乘客提供友好的乘梯体验。

  

  33、电机安全转矩关断及封星装置

  本发明公开了一种电机安全转矩关断及封星装置,包括软启动回路、软启动驱动回路、STO单元、控制器、逆变器驱动回路,所述软启动回路由限流电阻、第一功率器件、第二功率器件组成,所述限流电阻与所述第一功率器件串联,串联后的所述限流电阻和所述第一功率器件与所述第二功率器件并联,所述STO单元用于控制所述软启动驱动回路的电源输入,所述软启动驱动回路根据所述控制器输出的软启动驱动信号对所述软启动回路中的所述第一功率器件和所述第二功率器件进行通断控制,所述逆变器驱动回路根据所述控制器的封星指令对逆变器的上三路器件和下三路器件进行通断控制。本发明可以保证安全转矩关断功能和封星功能同时进行且互不干涉。

  

  34、二通道抱闸控制电路

  本发明公开了一种二通道抱闸控制电路,包括:主干电路,包括熔断器和与其串联的二个开关器件,每个开关器件断开均能断开所述主干电路的输出;二个通道,每个通道均用于获取外部安全信号并根据预设逻辑输出驱动信号以控制所述开关器件的导通或关断;第一检查电路,用于诊断各通道的短路状态并根据预设方案应对;第二检查电路,用于检测第一检查电路功能的电路。

  

  35、三通道电梯制动器安全控制电路

  本发明公开了一种三通道电梯制动器安全控制电路,包括:主干电路,包括熔断器和与其串联的三个终端开关,任意一个终端开关断开均能断开所述主干电路的输出;三个通道,每个通道均用于获取外部安全信号并根据预设逻辑输出驱动信号以控制所述终端开关的导通或关断;监测电路,用于诊断各通道的短路状态并根据预设方案应对。

  

  36、用于电梯的自主功能体的控制方法及装置

  本发明公开了一种电梯用于电梯的自主功能体的控制方法,包括如下步骤:步骤S1、接受监测任务;步骤S2、解析监测任务;步骤S3、根据监测任务确定对监测数据的要求和对所述监测对象的要求;步骤S4、判断所述对监测对象的要求中是否涉及到电梯整梯;步骤S5、建立所述自主功能体与电梯控制装置的通信连接;步骤S6、获取与对监测对象的要求中涉及到电梯整梯的要求相关的电梯运行信息;步骤S7、根据所述电梯运行信息判断电梯当前状态是否满足对监测对象的要求中涉及到电梯整梯的要求;步骤S8、实施监测任务;步骤S9、结束监测任务。本发明避免了因电梯当前不具备被监测的条件而进行无效监测。

  

  37、电梯群管理方法与系统

  本发明公开了一种电梯群管理方法与系统,对将要停靠分隔楼层的停靠电梯在分隔楼层的停靠进行控制,使得停靠电梯在分隔楼层停靠时满足时间分隔条件和/或位置分隔条件,籍此实现分隔楼层中需要搭乘不同目标电梯的候梯乘客的时间分隔和/或位置分隔,使得分隔楼层中的候梯乘客能够正确乘入其对应的目标电梯;所述时间分隔条件是指任意两台停靠电梯停靠在分隔楼层期间的停靠时段之间的时间间隔大于时间阈值;所述位置分隔条件是指任意两台停靠电梯停靠在分隔楼层期间的停靠位置之间的位置距离大于距离阈值。本发明能够有效地避免在分隔楼层候梯的乘客进入错误的目标电梯,从而改善候梯乘客的乘梯感受、提高电梯的运行效率、降低电梯的电能消耗。

  

  38、电梯调配方法

  本发明公开了一种电梯调配方法,包括:步骤S1,获取电梯组中各电梯的当前运行信息以及乘梯请求信号,所述当前运行信息至少包括各电梯的运行方向、当前位置和待停靠楼层,所述乘梯请求信号至少包括乘客的目的层信息,所述乘梯请求信号以给定大客流层为出发层;步骤S2,根据所述当前运行信息和所述乘梯请求信号确定满足目标电梯条件的目标电梯,所述目标电梯条件至少包括:条件一,对应的待停靠楼层包含所述给定大客流层;条件二,最早到达所述给定大客流层;步骤S3,选择乘梯请求信号作为选定乘梯请求信号,乘梯请求信号的选择范围为所有未被分配的乘梯请求信号;步骤S4,将所述选定乘梯请求信号分配给所述目标电梯。

  

  39、电梯群管理方法

  本发明公开了一种电梯群管理方法,根据电梯运行信息以及候梯者的乘梯请求信号判断是否存在因无法及时搭乘电梯的候梯者滞留在候梯厅而形成的积压楼层,当存在所述候梯者积压楼层时,采用积压楼层群管理方法对电梯群中的电梯进行群管理;所述积压楼层群管理方法是监测到有将要到达所述积压楼层的将要到达电梯时,将以所述积压楼层为出发楼层且未被响应的所述乘梯请求信号中的至少一个作为选定乘梯请求信号,并将所述选定乘梯请求信号分配给该将要到达电梯,使得该将要到达电梯成为所述选定乘梯请求信号的响应电梯。本发明能够有效降低群管理系统的计算负荷。

  

  40、电梯群管理方法和系统

  本发明公开了一种电梯群管理方法,为最早返回电梯分配尚未分配的乘梯请求,使得所述最早返回电梯在完成乘客运送后再次返回主层站时的返回时刻与相邻返回主层站的相邻电梯的返回时刻间的时间间隔不小于时间阈值,或者使得所述最早返回电梯在主层站的位置与所述相邻电梯在主层站的位置间的水平距离不小于距离阈值;所述最早返回电梯是指最早返回主层站的电梯。本发明要解决的技术问题是如何有效避免乘客误乘入非目标电梯,并且同时能够有效降低用梯高峰期内电梯群管理系统的计算负荷。

  

  41、乘客输送装置扶手带握持监测装置

  本发明公开了一种乘客输送装置扶手带握持监测装置,包括:多个人员检测传感器,用于检测梯级上是否有乘客,并识别乘客类型以及乘客所在梯级的位置;多个扶手握持监控传感器,用于监测乘客是否正确握持扶手带;扶手握持监控传感器安装在乘客输送装置两侧的扶手带导轨上,位于扶手带下部;人员检测传感器包括,多个高位人员检测传感器和多个低位人员检测传感器;高位人员检测传感器安装在乘客输送装置两侧的护栏的上部,用于识别乘客类型;低位人员检测传感器安装在乘客输送装置两侧的护栏的下部,用于识别乘客所在梯级的位置。本发明减少了持续性安全乘梯提醒的噪声扰民情况、准确捕捉乘客所在位置,避免了扶手带与梯级的相对运动偏差。

  

  42、基于射频识别技术的梯级缺失安全装置

  本发明公开了一种基于射频识别技术的梯级缺失安全装置,包括:至少一个FRID读写器,M个RFID无源梯级标签以及控制系统,所述FRID读写器具有内置天线,通过所述内置天线与RFID无源梯级标签建立通信连接;所述RFID无源梯级标签具有预设的梯级编号,所述梯级编号各不相同且具有预设顺序;所述FRID读写器具有预设的有效读取距离,在所述有效读取距离内FRID读写器能同时读取N个RFID无源梯级标签的梯级编号,N大于等于3,所述控制系统根据同时读取RFID无源梯级标签的数量或顺序判断自动扶梯或人行道是否存在梯级缺失故障。

  

  43、电梯补偿链端接装置

  本发明公开了一种电梯补偿链端接装置,在电梯补偿链端部至少一个链环中设置有一可分合的对置限位块;对置限位块合时状态构成与端部链环紧贴的上契合面或下契合面;对置限位块在电梯补偿链调节时可在链环抽动力的作用下分开并让需要调节的链环节通过。由于本发明采取了可自动分合的对置限位块对端部链环固定,一方面通过与端部链环紧贴的上契合面或下契合面解决现有技术中“固定杆与链环有间隙,不能完全抑制扭转”的问题,另一方面对置限位块在电梯补偿链调节时可在链环抽动力的作用下分开并让需要调节的链环节通过,无需对固定件拆卸,同时解决了现有技术中需要拆除固定杆、反复安装拆卸固定件不便的问题。

  

  44、提高电梯平层精度的装置

  本发明公开了一种提高电梯平层精度的装置,包括:线性称量装置,用于检测轿厢实时重量;所述线性称量装置包括弹性装置与能够输出线性电压的控制器;轿厢悬挂装置,通过悬挂钢丝绳连接轿厢与电动机;井道位置系统,用于检测轿厢的实时位置;控制补偿装置,接收来自线性称量装置中的线性电压值及计算悬挂钢丝绳在轿厢站停靠时的伸长量,实时控制电动机运动或停止,使得轿厢在站层停靠时能够根据停靠时轿厢的实时重量选择停靠平层之上或之下预设距离的位置。本发明旨在于减小因悬挂钢丝绳伸长问题造成乘客出入轿厢时抬升或者下沉幅度过大的问题,可靠性高,成本低。

  

  45、乘客输送设备的梯路运行监控装置

  本发明公开了一种乘客输送设备的梯路运行监控装置,包括:雷达装置,设置在乘客输送设备梳齿板处的梯级或踏板下方,所述雷达装置发射并接受波信号,扫描相邻梯级或踏板间的衔接处,计算预设参数,将预设参数的计算值发送给控制装置;控制装置,存储有预设参数的阈值,接收预设参数的计算值,将计算值与阈值相比较,当计算值超出阈值时输出报警信息。本发明通过上述预设参数的实际测量计算值与阈值相比较,若预诊断有异常存在,则进一步采取警报、停梯等措施,从而避免潜在安全隐患的发生。

  

  46、轿底可抬升的电梯轿厢装置及电梯

  本发明公开了一种轿底可抬升的电梯轿厢装置,包括:轿厢底部、轿厢侧壁、轿厢顶部、轿厢前壁和轿门装置;所述轿厢侧壁和轿厢前壁与轿厢底部固定连接,所述轿厢顶部与轿厢侧壁固定连接,所述轿门装置可水平移动地固定在轿厢前壁上;所述电梯轿厢装置还包括,可动轿底平台、驱动装置和控制装置;所述驱动装置包括抬升装置和驱动机构,所述可动轿底平台与抬升装置连接,所述驱动机构驱动抬升装置的升降,使可动轿底平台上下垂直移动,所述控制装置用于控制驱动装置。本发明与现有技术相比实现了不借助其他工具接近轿厢顶部的目的,打开轿厢顶部可对电梯井道内的部件进行维护,并实现了保证安全得目的。

  

  47、电机及齿轮组件牵引的电梯

  本发明公开了一种电机及齿轮组件牵引的电梯,齿轮组件的输入传动齿轮的轴线与输出传动齿轮的轴线是重合的,可实现采用小型化的电机及齿轮组件输出较大的转矩,满足提升大载重量、高速度运行的电梯应用场合的需要。

  

  48、带有一体式中部回路导轨的自动扶梯

  本发明公开了一种带有一体式中部回路导轨的自动扶梯,至少包括桁架、梯级和梯级轴组件,所述桁架至少包括中部下梁、中部竖构件和中部上环焊构件;中部下梁与中部竖构件焊接,中部上环焊构件焊接于中部竖构件上,导轨模板安装在中部上环焊构件上;所述自动扶梯还包括导轨模板和中部回路导轨,所述中部回路导轨定位安装在导轨模板上;所述梯级轴组件具有梯级链滚轮;所述梯级具有梯级滚轮;所述中部回路导轨具有第一台阶面和第二台阶面,第一台阶面和第二台阶面连成一体构成两级台阶状;所述梯级链滚轮在第一台阶面上运行,所述梯级滚轮在第二台阶面上运行。本发明不但可以缩小扶梯回路侧空间,降低材料、制造成本,而且还可以提高导轨安装效率,减少安装工时。

  

  49、电梯盘车救援装置

  本发明公开了一种电梯盘车救援装置,包括:锁钩、手摇绞盘、钢丝绳和至少一个盘车螺栓;电梯救援时,所述盘车螺栓安装在曳引轮外圈侧面分布的螺纹孔内;所述锁钩与盘车螺栓固定,所述钢丝绳的一端与锁钩固定,所述钢丝绳的另一端与手摇绞盘固定;所述手摇绞盘固定在曳引机座上的曳引轮侧;电梯救援时通过操作手摇绞盘带动曳引轮旋转使电梯轿厢运动到平层位置。

  

  50、电梯群管理方法

  本发明公开了一种电梯群管理方法,所述电梯群管理方法包括如下步骤:步骤S1、估算平均时间间隔,所述平均时间间隔为时序相邻的两个乘梯请求信号的产生时刻间的平均时间间隔;步骤S2、估算等候能耗,所述等候能耗为服务电梯在所述平均时间间隔内的电能消耗;步骤S3、估算额外能耗,所述额外能耗为改变服务电梯数量时服务电梯完成同样运送任务所需付出的电能消耗的变化量;步骤S4、计算所述等候能耗与所述额外能耗间的差值;步骤S5、根据所述差值与阈值间的大小关系调整服务电梯的数量。与现有技术相比,本发明提供的电梯管理方法充分利用电梯的客流信息,根据等候能耗与额外能耗间的关系来增减服务电梯,以此实现电梯能耗的最小化。

  

  51、电梯控制方法与电梯控制系统

  本发明的电梯控制方法与电梯控制系统包括:步骤A1,当乘客在履行预约乘梯时未能及时到达预约乘梯出发楼层时,确定乘梯迟到信息;步骤A2,根据所述乘梯迟到信息确定所述乘客的优先级;步骤A3,按照所述优先级,控制电梯为所述乘客提供运送服务。本发明根据预约乘梯乘客的预约乘梯迟到信息控制电梯为预约乘梯乘客提供服务,能够促使减少预约乘梯迟到现象,提高电梯的运行效率、降低电梯运行能耗。

  

  52、无机房电梯

  本发明公开了一种无机房电梯,曳引机及控制柜固定安装在轿厢顶;接线盒固定在井道中部或顶部的位置;接线盒作为中继站,同控制柜及各楼层的层站召唤器分别通信;所述控制柜包含储能装置,采用直流供电。本发明的无机房电梯,不需要在补偿上悬挂重块或者往轿顶堆放重块,仅仅依靠电动松闸即可移动轿厢,便于及时快捷地救援轿内被困人员,并且避免因使轿厢导轨承受较大载荷出现永久变形而影响轿内乘坐舒适感;采用直流供电的控制柜可以自动充电以提高续航能力;能保证控制柜同各楼层的层站召唤器的通信质量并且不需要随行电缆。

  

  53、曳引机下置式电梯

  本发明公开了一种曳引机下置式电梯,其滑轮组安装于井道顶部的支撑梁;补偿绳一端连接到轿厢顶部,向上绕过滑轮组后,另一端向下连接到对重顶部;从曳引轮绕出的曳引绳,前端固定连接到轿厢底,后端固定连接到对重底;曳引机通过其主轴驱动曳引轮;曳引轮及曳引机通过曳引绳吊起,设置于井道底部并且高于井道地板一定距离;曳引导轨至少一端与井道地板固定连接;曳引机与曳引导轨配合处有导向装置,使得曳引机能沿着曳引导轨做上下自由滑动。本发明的曳引机下置式电梯,可有效降低噪声,曳引机主轴载荷相对较小。

  

  54、电梯轿厢位置检测系统

  本发明公开了一种电梯轿厢位置检测系统,包括:电梯限速器、速度传感器、电梯轿厢位置计算装置和后备电源;所述速度传感器监测电梯限速器的状态,并将监测数据传输给电梯轿厢位置计算装置,所述电梯轿厢位置计算装置根据所述监测数据计算出电梯轿厢的位置和速度;后备电源与电梯轿厢位置计算装置和速度传感器电连接,当电梯系统意外掉电时为电梯轿厢位置计算装置和速度传感器提供电源。所述电梯轿厢位置计算装置具有输入输出接口,通过输入输出接口与外部设备进行数据交互。本发明能实现低成本、少维护,并且在电梯失电情况下仍能准确获知电梯轿厢位置。

  

  55、双电机驱动装置牵引的电梯

  本发明公开了一种双电机驱动装置牵引的电梯,采用双电机驱动装置能够输出较大的转矩,以提升牵引绳的牵引力,能够应对提升大载重量电梯的应用场合的需要。

  

  56、电梯驱动系统的冷却装置

  本发明公开了一种电梯驱动系统的冷却装置,包括:电梯驱动系统,包括逆变器、电机、整流器及减速机齿轮箱;至少一个液媒介质的冷却回路,对所述的逆变器、电机、整流器及减速机齿轮箱整个发热元器件或部分发热元器件进行循环冷却。本发明通过水路和油路两套冷却回路,充分对电梯主要发热部件:逆变器、整流器、电机和减速机齿轮箱进行散热。为降低成本和减小冷却系统的体积,整流器或逆变器的模块安装在水冷器的散热面上,省却两者的散热器;还可以用水油冷器替换水冷器和油冷器。

  

  57、永磁同步电动机控制装置及方法

  本发明公开了一种永磁同步电动机控制装置,包括:永磁同步电动机、旋转变压器、角度计算单元、控制器;通过所述控制器给所述永磁同步电动机施加电压和电流,得到所述旋转变压器各对极零点与所述永磁同步电机转子上永磁体的相对角度,从而识别出所述旋转变压器的各对极。能够精确对旋转变压器的对极进行定位,以便能利用已存储的旋转变压器的误差数据或频率分析部得到的特定频率的振幅和角度对旋转变压器输出的信号进行校正以高精度抑制由于旋转变压器的组装误差或形状误差等产生的周期性误差。

  

  58、无机房电梯

  本发明公开了一种无机房电梯,针对采用两台无机房电梯的应用场景,其顶部空间打通,第一电机驱动装置及第一牵引绳轮、第二驱动装置及第二牵引绳轮均配置在打通的顶部空间,并各自占用共同的井道壁延伸段空间,或者各自占用共同的井道壁延伸段空间以及一部分对方井道延伸段空间。这样不但能从总体上减少两个电机驱动装置及牵引绳轮占用的升降井道横截面积空间,而且在其中一个电机驱动装置出现故障时,电梯维修人员可以通过另一台正常的电梯运行或移动接近故障电机驱动装置,并实现维护或零件更换的操作等,能给电梯维修人员带来较多操作便利及减少操作安全风险。

  

  59、电梯系统

  本发明公开了一种电梯系统,包括至少一个井道,多个层站;所述电梯系统包括至少一个运行部轿厢、多个停站部轿厢、驱动装置和控制装置;所述驱动装置与运行部轿厢相连接,驱动所述运行部轿厢在井道内运行;所述每个层站至少有一扇层站门,每个所述停站部轿厢具有第一停站门和第二停站门,所述运行部轿厢具有至少一扇轿厢门;所述层站门与第一停站门联动控制,所述第二停站门与轿厢门联动控制;所述电梯系统具有联动装置,用于运行部轿厢和停站部轿厢之间的结合固定和脱离。本发明可以有效提高电梯的运行效率,特别适用于高层建筑,及未来可能的高度更大的超高建筑。

  

  60、电梯轿顶和电梯轿厢

  本发明公开了一种电梯轿顶,包括:下层吊顶框架与上层轿顶框架,下层吊顶框架与上层轿顶框架与电梯轿厢的轿壁固定连接;所述下层吊顶框架具有至少一个吊顶开孔,所述上层轿顶框架具有至少一个轿顶开孔,所述吊顶开孔和轿顶开孔在垂直方向的投影具有重叠区域,所述重叠区域的空间能供维修人员通过;所述电梯轿顶还包括装潢部件,所述装潢部件以可打开方式固定在下层吊顶框架上,覆盖所述吊顶开孔;所述电梯轿顶还包括轿顶盖板,所述轿顶盖板以可打开方式固定在上层轿顶框架上,覆盖所述轿顶开孔。与现有技术相比,本发明无需将整个轿顶旋转打开,照明板或装饰板通常只占轿顶总大小的一般或更少,实际操作更方便,更安全。

  

  61、无机房电梯装置

  本发明公开了一种无机房电梯装置,其包括一个沿轿厢导轨上下运动的轿厢、一个沿着对重导轨上下移动的对重、一组悬挂电梯轿厢和对重的悬挂装置、一驱动装置、一牵引轮;驱动装置固定于一层站的层站侧井道壁或层站侧对重导轨上;牵引轮的枢转轴固定接合到悬挂装置;驱动装置驱动牵引轮绕其枢转轴旋转;驱动装置所处位置的层站侧井道壁开设有连通层站的检修开口。本发明的无机房电梯装置,无需进入井道内、不必站在轿顶上,维护人员便可方便地对驱动装置进行检视和检修操作。

  

  62、集成式驱动装置及电梯

  本发明公开了一种集成式驱动装置,电机控制器固定装配到电机机壳;电机控制器具有电控机壳、电控流道及至少一组功率器件;功率器件及一部分电控流道设置在电控机壳内;电机控制器通过功率器件提供电流给电机本体的静止部分,从而驱动电机本体的旋转部分进行旋转运动;电机控制器通过电控流道内的冷却液体流动对各组功率器件进行冷却。本发明还公开了一种采用所述集成式驱动装置的电梯。

  

  63、电梯轿厢操纵箱、电梯轿厢选层权限管理装置及电梯

  本发明公开了一种电梯轿厢操纵箱,包括选层按钮阵列、按钮控制板、权限控制器和权限识别装置;所述选层按钮阵列、按钮控制板、权限控制器和权限识别装置都安装设置在电梯轿厢内,所述选层按钮阵列与按钮控制板电连接,所述选层按钮阵列被触发后,将电信号传输给按钮控制板,所述按钮控制板根据所述电信号生成按钮登记信息;所述按钮控制板与权限控制器通讯连接,所述按钮控制板将按钮登记信息传输给权限控制器;所述权限控制器分别与权限识别装置和电梯主控制器通讯连接;所述权限识别装置识别乘客权限,并将权限信息传输至权限控制器;所述权限控制器根据权限信息判断按钮登记信息的有效性,将有效的按钮登记信息发送至电梯主控制器。

  

  64、变频器调试系统、方法及测试平台

  本发明公开了一种变频器调试系统,包括:外接电阻单元,用于模拟负载和再生电阻及调试结束后快速释放电容电压;开关组合单元,用于控制调试系统电源;信号输入单元,用于模拟正常工作及故障工况;信号读取单元,用于判断变频器状态;电压输入及测量单元,用于给变频器提供并检测三相交流电压及直流母线电压。

  

  65、AGV交通管制系统及方法

  本发明公开了一种AGV交通管制系统,包括上位调度系统、AGV运行区域、控制器、多个第一检测器、第二检测器和请求进入点。本发明与现有技术相比,克服了AGV自身避障系统的缺陷,尤其对于货物体积较大,质量较重的运输工况,能提供更安全的智能管制系统和方法。

  

  66、电梯控制方法

  本发明公开了一种电梯控制方法包括:步骤S1、判断是否接收到新的影响事件,若是则转入步骤S2,否则重复执行本步骤;步骤S2、接收受影响电梯的当前运行状态;步骤S3、确定受影响电梯在时间窗内的将来运行状态;步骤S4、计算受影响电梯从电源获取或向电源回馈的电功率,计算时间窗内所有电梯的总功率;步骤S5、判断在所述时间窗内总功率是否总是不超过电源容量,若是计算对应于超过时刻的超过功率,并转入步骤S6,否则转入步骤S1;步骤S6、确定峰值功率电梯;步骤S7、通过调整峰值功率电梯和/或非峰值功率电梯的将来运行状态来消除超过功率,返回步骤S1。本发明的电梯控制方法能通过协调控制各台电梯来降低电梯对供电电源的容量需求。

  

  67、电机驱动装置牵引的电梯

  本发明公开了一种电机驱动装置牵引的电梯,采用小型化的电机驱动装置输出较大的转矩,使用较大直径的牵引绳轮和较大直径的牵引绳,以提升牵引绳的牵引力,满足提升大载重量、高速度运行的应用场合的需要。使用小型化的电机驱动装置,不但能减少占用空间,便于搬运、安装布置及维护,而且能给零部件的制作带来较多便利,有利于节约原材料,减少加工及装配的时间,降低了零部件的制作成本。

  

  68、电梯系统与电梯系统控制方法

  本发明公开了一种包括用于对电梯进行控制的电梯控制装置以及至少2个与所述电梯控制装置通信连接的操作器的电梯系统,所述操作器通过向所述电梯控制装置发送指令以使所述电梯控制装置对电梯进行控制使其响应所述指令的装置;电梯控制装置接收来自所述操作器的所述指令并对电梯进行控制;所述电梯控制装置包括检测单元、接收单元、分析单元、决定单元、控制单元。本发明还公开了一种用于电梯系统的控制方法。本发明的电梯系统与方法能够很好地实现多个操作器间以及操作器与电梯控制装置间的协作与配合。

  

  69、电梯储能装置性能监测方法与系统

  本发明公开了一种电梯储能装置性能监测方法,所述储能装置在电梯再生运行时存储再生能量并在电梯电动运行时将所存储的能量提供给驱动电机以实现电梯节能,所述监测方法包括如下步骤:选定所述储能装置的一次充放电过程;获取所述储能装置在所述充放电过程中的第一端电压、第二端电压和充放电电流;所述第一端电压为充放电过程开始时刻储能装置的端电压,所述第二端电压为充放电过程终止时刻储能装置的端电压;利用所述第一端电压、第二端电压和充放电电流计算所述储能装置在所述充放电过程中的净充入能量;计算第二端电压与第一端电压的平方差;计算所述储能装置的电容计算值;根据所述电容计算值与电容标称值的偏差来评估所述储能装置的性能。

  

  70、电梯驱动控制系统

  本发明公开的电梯驱动控制系统包括:采用非线性控制来生成电梯驱动电机转矩指令的第1控制部,采用线性控制生成电梯驱动电机转矩指令的第2控制部,用于监视由第1控制部切换到第2控制部的切换条件是否成立的第一监视处理部,基于所述监视结果选择第1控制部或第2控制部输出的转矩指令作为用于电梯驱动电机最终转矩指令的选择部,利用所述最终转矩指令执行对所述电梯驱动电机速度控制的驱动电路以及用于确定所述第2控制部在切换时应当输出的初始转矩指令的初值确定部。本发明的电梯驱动控制系统通过合理设置第2控制部的转矩指令初值,能够避免因最终转矩指令切换出现大幅阶跃变化严重影响电梯性能,从而确保电梯驱动控制具备较高的控制品质。

  

  7?1、监测电梯噪声的方法及监测装置

  本发明公开了一种监测电梯噪声的方法,包括如下步骤:步骤S1,电梯进入噪声监测模式;步骤S2,监测装置在监测点进入监测状态并采集噪声值;步骤S3,电梯按预设路线自动运行;步骤S4,监测装置存储监测数据;步骤S5,监测结束后,监测装置根据监测数据生成监测报告;步骤S6,电梯退出噪声监测模式。本发明更为方便地自动监测电梯运行噪声,不影响电梯的正常使用。

  

  72、电梯呼梯系统与呼梯方法

  本发明公开了一种电梯呼梯系统,该呼梯系统包括:区分凭证,用于实现对电梯使用者的呼梯信号进行区分;移动终端,与服务器通信连接,且所述电梯使用者利用所述移动终端对所述区分凭证实施获取操作从而得到所述波信号,所述移动终端将获取到的所述波信号上传给服务器;服务器,分别与所述移动终端和控制器通信连接,通过解析所述移动终端上传的所述波信号得到呼梯指令以及对应于所述呼梯指令的辨识信息,并将所述呼梯指令发送给对应于所述辨识信息的对象电梯或对象电梯群组的电梯控制器;电梯控制器,与所述服务器通信连接,接收来自所述服务器的呼梯指令,并根据所述呼梯指令控制对象电梯或对象电梯群组。本发明可以低成本且可靠地实现非接触式呼梯。

  

  73、乘客倒乘梯行为的判断方法及电梯控制方法

  本发明公开了一种乘客倒乘梯行为的判断方法,包括:步骤S1,获取电梯的运行方向信息及乘客信息;步骤S2,根据运行方向信息确定电梯的第一楼层;步骤S3,分析乘客信息,判断电梯轿厢内的乘客是否在电梯停靠在第一楼层期间全部离开电梯轿厢,若是则进入步骤S4,否则结束;步骤S4,判定倒乘梯判断条件中的第一判断条件成立;步骤S5,判断是否倒乘梯判断条件中的所有判断条件均成立,若是则判断结果为存在乘客倒乘梯行为,结束,否则判断结果为不存在乘客倒乘梯行为,结束。本发明的判断方法能够简单、准确地判断是否存在乘客“倒乘梯”行为。本发明还公开了一种电梯控制方法。

  

  74、层门系统

  本发明公开了一种层门系统,包括玻璃层门、层门装置、层门悬挂装置、层门导向装置和层门解锁装置;所述层门悬挂装置将玻璃层门悬挂在层门装置上,所述层门装置上具有门锁装置用于锁定和解锁层门装置;所述层门导向装置安装在玻璃层门的下部,用于对玻璃层门进行导向;所述层门导向装置包括第一导向件和第二导向件,第一导向件位于层门外侧部位,第二导向件位于层门中间部位;所述层门解锁装置安装在第一导向件处。

  

  75、电梯对重装置

  本发明公开了一种电梯对重装置,当电梯曳引机驱动曳引钢丝运动时,动滑轮随钢丝绳运动从而带动对重框架沿对重导轨上下移动,当动滑轮转动时通过同步带驱动力矩补偿驱动轮转动,进而通过第一减速结构驱动左右丝杆转动,从而带动左右质量块沿左右质量块导轨左右移动,通过带动左右质量块向补偿系统偏心的相反方向移动,实现对重整体重心位置的调节,消除补偿系统左右方向偏心,使补偿系统的重心处于对重装置的吊心上,避免对重装置在上下运行时受到补偿系统不平衡力矩的作用。

  

  76、电梯智能油杯装置

  本发明公开了一种电梯智能油杯装置,包括壳体、杯盖、固定机构和导油机构,所述壳体用以容纳润滑油,所述杯盖可开启地设置在壳体上,所述固定机构用于将壳体固定在轿厢上,所述导油机构用于将润滑油引导到导轨上,所述电梯智能油杯装置还包括:导向管、浮子和距离传感器;所述导向管竖直固定在壳体上,所述导向管底部有缺口,所述缺口使润滑油能流入导向管内部,并使导向管内部的润滑油液面与壳体内的润滑油液面齐平;所述浮子容纳在导向管内,所述浮子能随润滑油液面的变化上下浮动;所述距离传感器固定在杯盖上,固定位置与所述导向管的上部开口相对应,用于测量距离传感器与浮子间的距离。

  

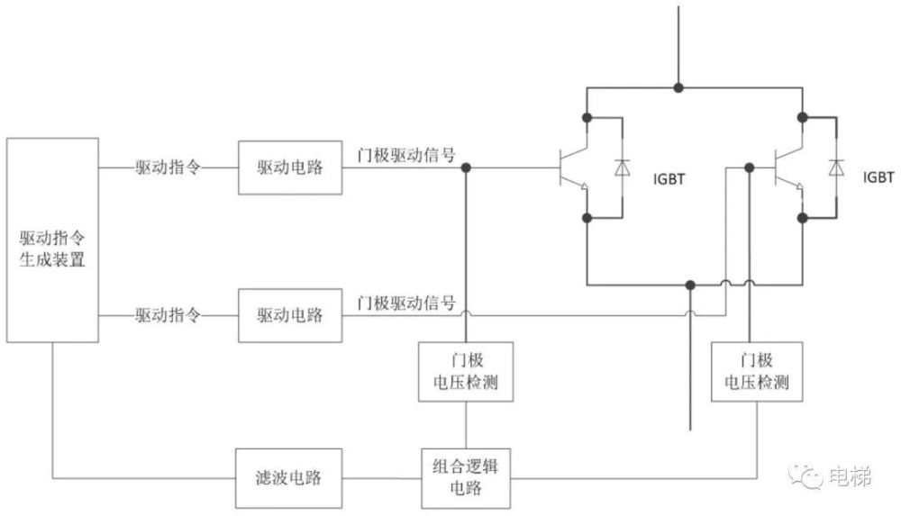
  77、IGBT并联驱动检测电路及其控制方法

  本发明公开了一种IGBT并联驱动检测电路,包括:至少二个并联的IGBT模块、至少二个门极电压检测电路、组合逻辑电路、滤波电路、至少二个驱动电路、驱动指令生成装置;其中,每个门极电压检测电路分别用于检测各个IGBT的模块门极电压的幅值及脉冲电压的时序;组合逻辑电路用于接收所有门极电压检测电路检测到的信号,并输出一个逻辑信号至滤波电路;滤波电路用于接收组合逻辑电路输出的信号并进行滤波再输出至驱动指令生成装置;驱动指令生成装置用于发出驱动指令至各个驱动电路,并根据接收到的滤波电路输出信号对发出的驱动指令进行调整;每个驱动电路在接收到驱动指令并进行放大后分别输出门极驱动信号至各个IGBT模块。

  

  78、电梯安全钳装配生产系统和方法

  本发明公开了一种电梯安全钳装配生产系统,包括:第三工位装配模块,用于录入产品订单信息;第一工位装配模块,用于根据订单信息选取零部件,并根据零部件的信息检索与订单信息所要求的规格是否一致,且所述第一工位装配模块在完成产品的第一工位装配时在产品上粘贴子码;第二工位装配模块,根据第一工位装配模块的标记获取产品信息,完成第二工位装配,并对所装配的关键尺寸进行在线检测;所述第三工位模块还用于根据所述第一工位装配模块的标记识别产品,并与所述录入产品订单信息相比对;至少一个关键参数检测调节装置,用于检测所述安全钳的关键尺寸及重要装配信息。本发明还公开了一种电梯安全钳装配生产方法。

  

  79、电梯控温节能系统及其控制方法

  本发明公开了一种控温节能系统,包括:与局部电网输入端口电连接的第一功率因数检测装置;与局部电网中电连接的用电设备;与局部电网电连接的电梯系统,所述电梯系统包括电梯无功功率补偿单元,所述电梯无功功率补偿单元对所述局部电网的无功功率进行补偿以使电梯自身发热。

  

  80、带封星功能的STO装置及其控制方法

  本发明公开了一种带封星功能的STO装置,包括第一通道回路、电源通道回路、第二通道回路、上桥臂缓冲器、下桥臂缓冲器,其中,所述第一通道回路的输入端用于接收STO输入信号和封星信号,第一通道回路的输出端输出使能信号至上桥臂缓冲器;所述电源通道回路的输入端用于接收电源信号和封星信号,电源通道回路的输出端输出电源信号至上桥臂缓冲器和下桥臂缓冲器;所述第二通道回路的输入端用于封星信号,第二通道回路的输出端输出使能信号至下桥臂缓冲器。本发明还公开了一种带封星功能的STO装置的控制方法。

  

  81、电梯启动次数计测装置

  本发明公开了一种电梯启动次数计测装置,其门区传感器由装设于井道中的被检测体和装设于轿厢上的检测体构成,用于检测电梯轿厢进入及离开门区时的门区信号;其波形分析单元用于对门区信号进行分析,输出电梯轿厢在一次门区启动过程中的运动阶段;其速度计算单元用于计算电梯轿厢在运动阶段的移动速度;其判断单元用于根据运动阶段和对应于该运动阶段的移动速度判断电梯是否完成一次启动;其计数单元根据判断单元的判断结果决定是否对计数结果进行加1处理。本发明的电梯启动次数计测装置,无需增设新的传感器,在不依赖于电梯控制屏的相关信息的情况下,能够低成本、方便快捷地实现对电梯启动次数的计测。

  

  82、超高分子量聚乙烯纳米复合材料制品的制备方法、模具及制品

  本发明公开了一种超高分子量聚乙烯纳米复合材料制品的制备方法,包括:步骤S1,将超高分子量聚乙烯基材制备成超高分子量聚乙烯熔体,并注入模具;步骤S2,将所述超高分子量聚乙烯熔体在预设压力状态下冷却至第一温度;步骤S3,将低分子量聚烯烃纳米复合熔体以第二温度注入所述超高分子量聚乙烯熔体;步骤S4,冷却定型后制成所述超高分子量聚乙烯纳米复合材料制品。本发明保证了UHMWPE制品本身的力学性能、耐磨性能,制造了UHMWPE制品表面均匀构造,通过表面构造形成润滑层,保证稳定的超低摩擦系数,且成型过程简单、一次成型,成本较低,具有较好的市场化前景。

  

上一篇:千古一帝嬴政,“焚书坑术士”,他真的是暴君么?他委屈了2000年
下一篇:影都追梦人丨从香港到青岛,专访电影置景道具大师钟剑伟,用传统技艺与现代科技复原中